MICROPHONES

  

Using ribbon microphones - the advantages and disadvantages
Download

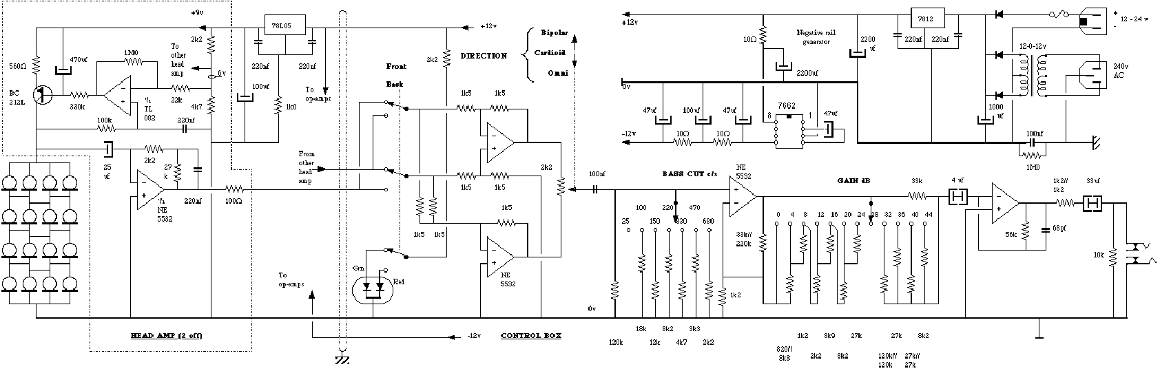
MONO Low noise capsule-array microphone
Circuit diagram
Download circuit description
Download manual

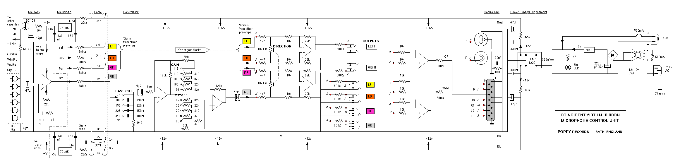
STEREO Virtual crossed-ribbons phase-coincident microphone
Circuit diagram
Download manual

Bass tip-up in ribbon microphones
An explanation for the phenomenon

 

 

 

 


POPPY RECORDS 2024